M-105 Microtranslation Stage
Precision Crossed Roller Guides, PiezoMike Option, XY(Z) Combinations
- Travel range to 18 mm
- Stainless steel construction
- XY and XYZ combinations
- Optional PiezoMike with 10 nm resolution
- Optional motor drives
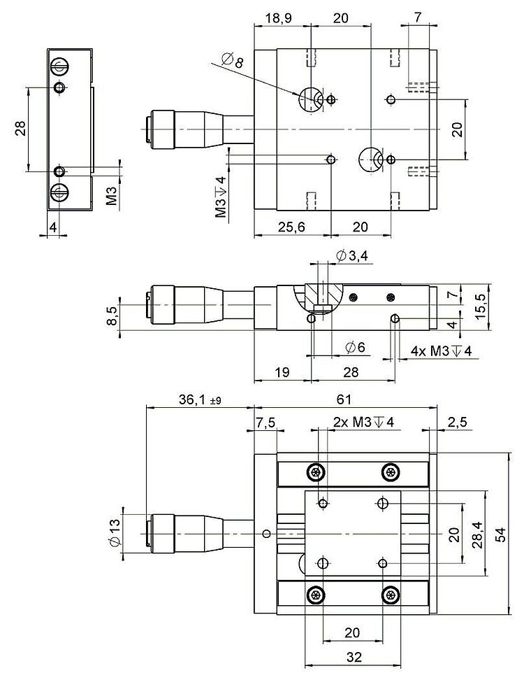
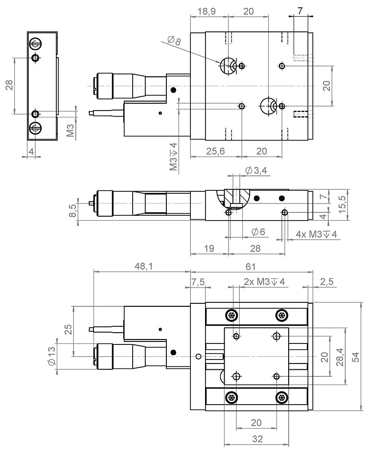
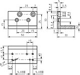
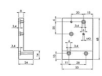
The M-105-linear stages are available in various configurations and allow travel ranges up to 18 mm. They have crossed roller bearings that allow a guiding accuracy of better than 2 µm. The motion platform is preloaded with springs against the precision micrometer screw to suppress backlash.
With the XYZ version, the Z axis is mounted with an adapter bracket so that the load acts in the direction of the spring preload.
Application fields
Manual sample manipulation.
Specifications
Specifications
M-105.10 | M-105.1P** | Unit | Tolerance | |
|---|---|---|---|---|
Travel range | 18 | 18 | mm | |
Piezo fine travel range | – | 30 | µm | |
Minimum incremental motion (piezo drive) | – | 0.01 | µm | |
Minimum incremental motion (micrometer screw)* | 1 | 1 | µm | |
Backlash | 2 | 2 | µm | |
Straightness | 2 | 2 | µm | |
Flatness | 2 | 2 | µm | |
Load capacity | 100 | 100 | N | max. |
Push/pull force | 20 / 4 | 20 / 4 | N | max. |
Lateral force | 25 | 25 | N | max. |
Drive | Micrometer screw | P-854.00 | ||
Drive screw pitch (coarse / fine) | 0.5 / – | 0.5 / – | mm | |
Mass | 0.32 | 0.38 | kg | |
Housing material | St | St | ||
Recommended piezo driver | – | E-610, E-500 system |
Downloads
Product Note
Product Change Notification M-105, M106
M-105.20, M-105.2B, M-105.30, M-105.3BA, M-105.3BB, M-105.81 and M-106.10, M-106.20, M-106.30
Datasheet
Documentation
3D Models
M-105 M-106 3-D model
Quote / Order
Ask for a free quote on quantities required, prices, and lead times or describe your desired modification.
How to Get a Quote
Ask an engineer!
Quickly receive an answer to your question by email or phone from a local PI sales engineer.
















