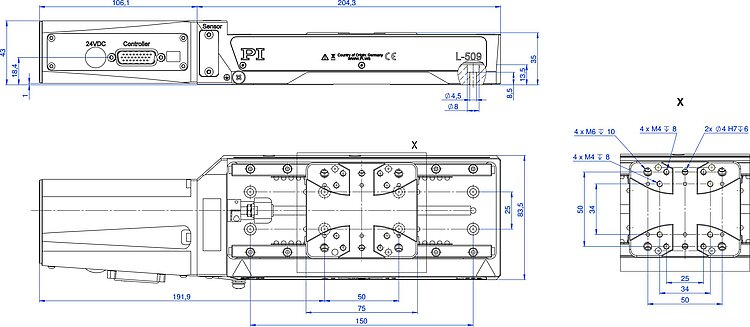
Vacuum-compatible precision linear stage; 2-phase stepper motor; 26 mm travel range; 100 N load capacity; 10 mm/s maximum velocity; ball screw; vacuum compatible to 10⁻⁶ hPa
L-509 V6 • V7 • V9 Vacuum-Compatible Precision Linear Stage
Compact Design, for Loads to 10 kg
- Vacuum compatible up to 10-9 hPa
- Travel ranges from 26 to 102 mm (1" to 4")
- Repeatability to 0.1 µm
- DC gear motor, stepper motor
- Direction-sensing reference switch
- Multi-axis setups possible












Product overview
High travel accuracy and load capacity due to crossed roller guides with anti-creep system. Precision ball screw with 1 mm pitch. Compact design. Stress-relieved aluminum base for high stability. Limit switch. Noncontact optical reference switch with direction sensing in the middle of the travel range.
Reduced outgassing especially for use in vacuum environments
Most notably, for the lubrication of the guides and the spindle a material with particularly low outgassing is used. This allows a bakeout temperature of up to 80° C. With this and other modifications of the PI V6 vacuum class, this positioner can be used up to 10-6 hPa.
Higher quality for applications in high vacuum
In this case, special components suitable for high vacuum are used, such as motor, measuring system, and limit switches. In addition, the surface is made of uncoated aluminum and the spindles and guides are made of stainless steel. With this, the PI V7 vacuum class is reached, which means up to 10-7 hPa.
The highest quality for special requirements in ultrahigh vacuum
In this vacuum class, the product is optimized in all details thanks to components suitable for ultrahigh vacuum in order to reach PI V9 vacuum class up to 10-9 hPa. Among other things, only selected types of plastic are used for this purpose and bakeout temperatures of 120 °C with measuring system, respectively 150 °C without measuring system are applied.
Motor types available
- DC motor with gearhead for high torques and resolution at low motor power, to 10-6 hPa
- 2-phase stepper motor for low velocity and high resolution, to 10-9 hPa
Types of position measuring
- Without encoder (open loop)
- Integrated rotary encoder on the motor shaft
Application fields
Vacuum chambers. Research. Beamline instrumentation. Microscopy. Electronics assembly and inspection.
Specifications
Specifications
| Motion | L-509.021100V6 | L-509.031100V6 | L-509.051100V6 | L-509.024132V6 | L-509.034132V6 | L-509.054132V6 | L-509.021300V7 | L-509.031300V7 | L-509.051300V7 | L-509.031600V9 | L-509.051600V9 | Tolerance |
|---|---|---|---|---|---|---|---|---|---|---|---|---|
| Active axes | X | X | X | X | X | X | X | X | X | X | X | |
| Travel range in X | 26 mm | 52 mm | 102 mm | 26 mm | 52 mm | 102 mm | 26 mm | 52 mm | 102 mm | 52 mm | 102 mm | |
| Maximum velocity in X, unloaded | 10 mm/s | 10 mm/s | 10 mm/s | 1.5 mm/s | 1.5 mm/s | 1.5 mm/s | 10 mm/s | 10 mm/s | 10 mm/s | 10 mm/s | 10 mm/s | |
| Straightness error in Y (straightness) | ± 2 µm | ± 4 µm | ± 8 µm | ± 2 µm | ± 4 µm | ± 8 µm | ± 2 µm | ± 4 µm | ± 8 µm | ± 4 µm | ± 8 µm | typ. |
| Straightness error in Z (flatness) | ± 2 µm | ± 4 µm | ± 8 µm | ± 2 µm | ± 4 µm | ± 8 µm | ± 2 µm | ± 4 µm | ± 8 µm | ± 4 µm | ± 8 µm | typ. |
| Angular error around Y (pitch) | ± 60 µrad | ± 90 µrad | ± 120 µrad | ± 60 µrad | ± 90 µrad | ± 120 µrad | ± 60 µrad | ± 90 µrad | ± 120 µrad | ± 90 µrad | ± 120 µrad | typ. |
| Angular error around Z (yaw) | ± 60 µrad | ± 90 µrad | ± 120 µrad | ± 60 µrad | ± 90 µrad | ± 120 µrad | ± 60 µrad | ± 90 µrad | ± 120 µrad | ± 90 µrad | ± 120 µrad | typ. |
| Positioning | L-509.021100V6 | L-509.031100V6 | L-509.051100V6 | L-509.024132V6 | L-509.034132V6 | L-509.054132V6 | L-509.021300V7 | L-509.031300V7 | L-509.051300V7 | L-509.031600V9 | L-509.051600V9 | Tolerance |
| Minimum incremental motion in X | 0.1 µm | 0.1 µm | 0.1 µm | 0.1 µm | 0.1 µm | 0.1 µm | 0.1 µm | 0.1 µm | 0.1 µm | 0.1 µm | 0.1 µm | typ. |
| Unidirectional repeatability in X | ± 0.15 µm | ± 0.15 µm | ± 0.15 µm | ± 0.05 µm | ± 0.05 µm | ± 0.05 µm | ± 0.15 µm | ± 0.15 µm | ± 0.15 µm | ± 0.15 µm | ± 0.15 µm | typ. |
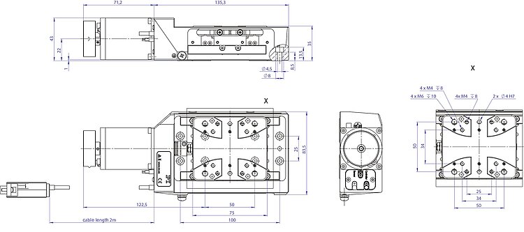
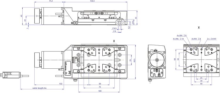
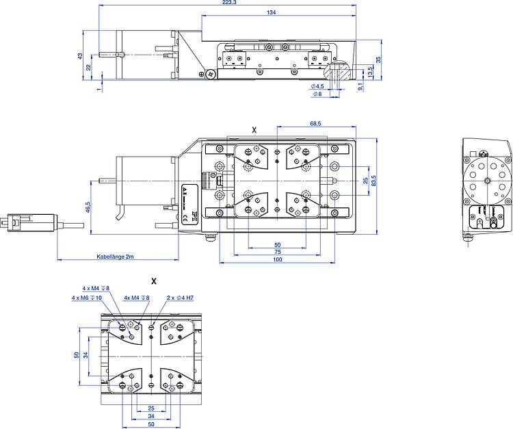
| Limit switches | Forked photoelectric sensor, N/C contact, 5 V, NPN | Forked photoelectric sensor, N/C contact, 5 V, NPN | Forked photoelectric sensor, N/C contact, 5 V, NPN | Forked photoelectric sensor, N/C contact, 5 V, NPN | Forked photoelectric sensor, N/C contact, 5 V, NPN | Forked photoelectric sensor, N/C contact, 5 V, NPN | Mechanical | Mechanical | Mechanical | Mechanical | Mechanical | |
| Motor encoder: Sensor signal | — | — | — | A/B quadrature, RS-422 | A/B quadrature, RS-422 | A/B quadrature, RS-422 | — | — | — | — | — | |
| Motor encoder | — | — | — | Incremental rotary encoder | Incremental rotary encoder | Incremental rotary encoder | — | — | — | — | — | |
| Drive Properties | L-509.021100V6 | L-509.031100V6 | L-509.051100V6 | L-509.024132V6 | L-509.034132V6 | L-509.054132V6 | L-509.021300V7 | L-509.031300V7 | L-509.051300V7 | L-509.031600V9 | L-509.051600V9 | Tolerance |
| Drive type | 2-phase stepper motor | 2-phase stepper motor | 2-phase stepper motor | DC gear motor | DC gear motor | DC gear motor | 2-phase stepper motor | 2-phase stepper motor | 2-phase stepper motor | 2-phase stepper motor | 2-phase stepper motor | |
| Nominal voltage | 24 V | 24 V | 24 V | 12 V | 12 V | 12 V | 24 V | 24 V | 24 V | 24 V | 24 V | |
| Maximum power consumption | 10 W | 10 W | 10 W | — | — | — | 10 W | 10 W | 10 W | 10 W | 10 W | |
| Motor resolution | 200 Full steps/rev. | 200 Full steps/rev. | 200 Full steps/rev. | — | — | — | 200 Full steps/rev. | 200 Full steps/rev. | 200 Full steps/rev. | 200 Full steps/rev. | 200 Full steps/rev. | |
| Drive force in positive direction of motion in X | 60 N | 60 N | 60 N | 60 N | 60 N | 60 N | 60 N | 60 N | 60 N | 60 N | 60 N | typ. |
| Drive force in negative direction of motion in X | 60 N | 60 N | 60 N | 60 N | 60 N | 60 N | 60 N | 60 N | 60 N | 60 N | 60 N | typ. |
| Resistance phase-phase | 3.3 Ω | 3.3 Ω | 3.3 Ω | 4.09 Ω | 4.09 Ω | 4.09 Ω | 1.7 Ω | 1.7 Ω | 1.7 Ω | 1.7 Ω | 1.7 Ω | typ. |
| Inductance phase-phase | 2.8 mH | 2.8 mH | 2.8 mH | 0.18 mH | 0.18 mH | 0.18 mH | 3 mH | 3 mH | 3 mH | 3 mH | 3 mH | |
| Back EMF, phase-phase, rotational | — | — | — | 1.68 V/kRPM | 1.68 V/kRPM | 1.68 V/kRPM | — | — | — | — | — | max. |
| Mechanical Properties | L-509.021100V6 | L-509.031100V6 | L-509.051100V6 | L-509.024132V6 | L-509.034132V6 | L-509.054132V6 | L-509.021300V7 | L-509.031300V7 | L-509.051300V7 | L-509.031600V9 | L-509.051600V9 | Tolerance |
| Permissible push force in Y | 50 N | 50 N | 50 N | 50 N | 50 N | 50 N | 50 N | 50 N | 50 N | 50 N | 50 N | max. |
| Permissible push force in Z | 100 N | 100 N | 100 N | 100 N | 100 N | 100 N | 100 N | 100 N | 100 N | 100 N | 100 N | max. |
| Permissible torque in θX | 30 N·m | 30 N·m | 30 N·m | 30 N·m | 30 N·m | 30 N·m | 30 N·m | 30 N·m | 30 N·m | 30 N·m | 30 N·m | max. |
| Permissible torque in θY | 25 N·m | 25 N·m | 25 N·m | 25 N·m | 25 N·m | 25 N·m | 25 N·m | 25 N·m | 25 N·m | 25 N·m | 25 N·m | max. |
| Permissible torque in θZ | 20 N·m | 20 N·m | 20 N·m | 20 N·m | 20 N·m | 20 N·m | 20 N·m | 20 N·m | 20 N·m | 20 N·m | 20 N·m | max. |
| Holding force in X, passive | 50 N | 50 N | 50 N | 50 N | 50 N | 50 N | 50 N | 50 N | 50 N | 30 N | 30 N | |
| Moved mass in X, unloaded | 220 g | 220 g | 220 g | 220 g | 220 g | 220 g | 220 g | 220 g | 220 g | 220 g | 220 g | |
| Drive screw type | Ball screw | Ball screw | Ball screw | Ball screw | Ball screw | Ball screw | Ball screw | Ball screw | Ball screw | Ball screw | Ball screw | |
| Drive screw pitch | 1 mm | 1 mm | 1 mm | 1 mm | 1 mm | 1 mm | 1 mm | 1 mm | 1 mm | 1 mm | 1 mm | |
| Gear ratio i | — | — | — | 2401 : 81 | 2401 : 81 | 2401 : 81 | — | — | — | — | — | |
| Guide | Crossed roller guide | Crossed roller guide | Crossed roller guide | Crossed roller guide | Crossed roller guide | Crossed roller guide | Crossed roller guide | Crossed roller guide | Crossed roller guide | Crossed roller guide | Crossed roller guide | |
| Overall mass | 1400 g | 1500 g | 1700 g | 1100 g | 1200 g | 1500 g | 1000 g | 1100 g | 1600 g | 1400 g | 1600 g | |
| Material | Aluminum, steel | Aluminum, steel | Aluminum, steel | Aluminum, steel | Aluminum, steel | Aluminum, steel | Aluminum, steel | Aluminum, steel | Aluminum, steel | Aluminum, steel | Aluminum, steel | |
| Miscellaneous | L-509.021100V6 | L-509.031100V6 | L-509.051100V6 | L-509.024132V6 | L-509.034132V6 | L-509.054132V6 | L-509.021300V7 | L-509.031300V7 | L-509.051300V7 | L-509.031600V9 | L-509.051600V9 | Tolerance |
| Operating temperature range | 5 to 40 °C | 5 to 40 °C | 5 to 40 °C | 5 to 40 °C | 5 to 40 °C | 5 to 40 °C | 5 to 40 °C | 5 to 40 °C | 5 to 40 °C | 5 to 40 °C | 5 to 40 °C | |
| Vacuum class | 10⁻⁶ ǀ hPa | 10⁻⁶ ǀ hPa | 10⁻⁶ ǀ hPa | 10⁻⁶ ǀ hPa | 10⁻⁶ ǀ hPa | 10⁻⁶ ǀ hPa | 10⁻⁷ ǀ hPa | 10⁻⁷ ǀ hPa | 10⁻⁷ ǀ hPa | 10⁻⁹ ǀ hPa | 10⁻⁹ ǀ hPa | |
| Maximum bakeout temperature | 80 °C | 80 °C | 80 °C | 80 °C | 80 °C | 80 °C | 80 °C | 80 °C | 80 °C | 150 °C | 150 °C | |
| Connector | HD D-sub 26 (m) | HD D-sub 26 (m) | HD D-sub 26 (m) | HD D-sub 26 (m) | HD D-sub 26 (m) | HD D-sub 26 (m) | D-sub 15 (f) | D-sub 15 (f) | D-sub 15 (f) | D-sub 15 (f) | D-sub 15 (f) | |
| Cable length | 2 m | 2 m | 2 m | 2 m | 2 m | 2 m | 2 m | 2 m | 2 m | 2 m | 2 m | |
| Recommended controllers/drivers | C-663.12 C-885 with C-663.12C885 G-901 G-910 ACS modular controller | C-663.12 C-885 with C-663.12C885 G-901 G-910 ACS modular controller | C-663.12 C-885 with C-663.12C885 G-901 G-910 ACS modular controller | C-863 C-885 with C-863.20C885 C-884 G-901 G-910 ACS modular controller | C-863 C-885 with C-863.20C885 C-884 G-901 G-910 ACS modular controller | C-863 C-885 with C-863.20C885 C-884 G-901 G-910 ACS modular controller | C-663.12 C-885 with C-663.12C885 G-901 G-910 ACS modular controller | C-663.12 C-885 with C-663.12C885 G-901 G-910 ACS modular controller | C-663.12 C-885 with C-663.12C885 G-901 G-910 ACS modular controller | C-663.12 C-885 with C-663.12C885 G-901 G-910 ACS modular controller | C-663.12 C-885 with C-663.12C885 G-901 G-910 ACS modular controller |
At PI, technical data is specified at 22 ±3 °C. Unless otherwise stated, the values are for unloaded conditions. Some properties are interdependent. The designation "typ." indicates a statistical average for a property; it does not indicate a guaranteed value for every product supplied. During the final inspection of a product, only selected properties are analyzed, not all. Please note that some product characteristics may deteriorate with increasing operating time.
Downloads
Datasheet
Documentation
User Manual MP186
This document describes the following precision linear positioner, vacuum-compatible 1 E-7 hPa: L-509.0x1300V7; L-509.0x1311V7
User Manual L509T0018
L-509 Vacuum-Compatible Precision Linear Positioner (1E-9 hPa)
User Manual MP174
L-509 Vacuum-Compatible Precision Linear Stage (1 E-6 hPa)
3D Models
3-D model-L-509.0x1100V6
3-D model-L-509.0x1300V7
3-D model-L-509.0x1600V9
3-D model-L-509.0x4132V6
Ask for a free quote on quantities required, prices, and lead times or describe your desired modification.
Vacuum-compatible precision linear stage; 2-phase stepper motor; 52 mm travel range; 100 N load capacity; 10 mm/s maximum velocity; ball screw; vacuum compatible to 10⁻⁶ hPa
Vacuum-compatible precision linear stage; 2-phase stepper motor; 102 mm travel range; 100 N load capacity; 10 mm/s maximum velocity; ball screw; vacuum compatible to 10⁻⁶ hPa
Vacuum compatible precision linear stage; DC gear motor; 26 mm travel range; 100 N load capacity; 1.5 mm/s maximum velocity; ball screw; incremental rotary encoder; A/B quadrature, RS-422; vacuum compatible to 10⁻⁶ hPa
Vacuum-compatible precision linear stage; DC gear motor; 52 mm travel range; 100 N load capacity; 1.5 mm/s maximum velocity; ball screw; incremental rotary encoder; A/B quadrature, RS-422; vacuum compatible to 10⁻⁶ hPa
Vacuum compatible precision linear stage; DC gear motor; 102 mm travel range; 100 N load capacity; 1.5 mm/s maximum velocity; ball screw; incremental rotary encoder; A/B quadrature, RS-422; vacuum compatible to 10⁻⁶ hPa
Vacuum-compatible precision linear stage; 2-phase stepper motor; 26 mm travel range; 100 N load capacity; 10 mm/s maximum velocity; ball screw; vacuum compatible to 10⁻⁷ hPa; 2 m cable length
Vacuum-compatible precision linear stage; 2-phase stepper motor; 52 mm travel range; 100 N load capacity; 10 mm/s maximum velocity; ball screw; vacuum compatible to 10⁻⁷ hPa; 2 m cable length
Vacuum-compatible precision linear stage; 2-phase stepper motor; 102 mm travel range; 100 N load capacity; 10 mm/s maximum velocity; ball screw; vacuum compatible to 10⁻⁷ hPa; 2 m cable length
Vacuum-compatible precision linear stage; 2-phase stepper motor; 52 mm travel range; 100 N load capacity; 10 mm/s maximum velocity; ball screw; vacuum compatible to 10⁻⁹ hPa; 2 m cable length
Vacuum-compatible precision linear stage; 2-phase stepper motor; 102 mm travel range; 100 N load capacity; 10 mm/s maximum velocity; ball screw; vacuum compatible to 10⁻⁹ hPa; 2 m cable length
How to Get a Quote
Ask an engineer!
Quickly receive an answer to your question by email or phone from a local PI sales engineer.
Technology

Vacuum
Careful handling, adequate premises: PI does not only have the necessary equipment for the qualification of materials, components and final products, but also has many years of experience with regard to HV und UHV positioning systems.

Rotating Electric Motors
Rotating electric motors such as DC or stepper motors are used in connection with screw or worm drives.























