High-precision linear stage; DC motor; 52 mm travel range; 500 N load capacity; 90 mm/s maximum velocity; ball screw; incremental linear encoder, sin/cos, 1 V peak-peak
L-511 High-Precision Linear Stage
High Run-Out Accuracy
- High run-out accuracy and load capacity thanks to recirculating ball bearing guides
- Repeatability to 0.15 µm
- Base profile made of stress-relieved aluminum for high stability
- Noncontact optical linear encoders measure the position with maximum accuracy directly on the platform
- Different motor and encoder variants enable individual application options










Reference-class linear stage
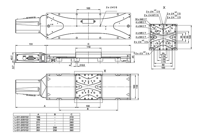
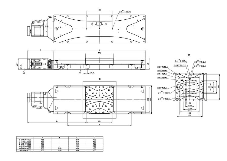
High run-out accuracy and load capacity thanks to recirculating ball bearing guides. Precision ball screw with 2 mm pitch. Stress-relieved aluminum base for high stability. Noncontact optical limit switches. Noncontact optical reference switch with direction sensing in the middle of the travel range. Travel ranges from 52 to 155 mm (2" to 6").
Motor types available
- DC servo motor with gearhead for high torques and resolution at low motor power
- Brushless DC motor: For applications with a high duty cycle. Use a controller with sine commutation for an exceptionally smooth synchronous motion and low vibrations even at a very low velocity.
- 2-phase stepper motor for low velocity and high resolution
Types of position measuring
- Without encoder (open loop)
- Integrated rotary encoder on the motor shaft
- Incremental linear encoder
Highly accurate position measuring with incremental linear encoder
Noncontact optical linear encoders measure the position directly at the platform with the greatest accuracy. Nonlinearity, mechanical play or elastic deformation have no influence on the measurement.
Application fields
Autofocus. Laser cutting. Research. Biotechnology. Automation. Optical alignment.
Specifications
Specifications
| Motion | L-511.033111 | L-511.053111 | L-511.073111 | L-511.035111 | L-511.055111 | L-511.075111 | L-511.033132 | L-511.053132 | L-511.073132 | L-511.035132 | L-511.055132 | L-511.075132 | L-511.20DG10 | L-511.40DG10 | L-511.60DG10 | L-511.20SD00 | L-511.40SD00 | L-511.60SD00 | L-511.2ASD00 | L-511.4ASD00 | L-511.6ASD00 | Tolerance |
|---|---|---|---|---|---|---|---|---|---|---|---|---|---|---|---|---|---|---|---|---|---|---|
| Active axes | X | X | X | X | X | X | X | X | X | X | X | X | X | X | X | X | X | X | X | X | X | |
| Travel range in X | 52 mm | 102 mm | 155 mm | 52 mm | 102 mm | 155 mm | 52 mm | 102 mm | 155 mm | 52 mm | 102 mm | 155 mm | 52 mm | 102 mm | 155 mm | 52 mm | 102 mm | 155 mm | 52 mm | 102 mm | 155 mm | |
| Maximum velocity in X, unloaded | 90 mm/s | 90 mm/s | 90 mm/s | 90 mm/s | 90 mm/s | 90 mm/s | 90 mm/s | 90 mm/s | 90 mm/s | 90 mm/s | 90 mm/s | 90 mm/s | 6 mm/s | 6 mm/s | 6 mm/s | 45 mm/s | 45 mm/s | 45 mm/s | 45 mm/s | 45 mm/s | 45 mm/s | |
| Straightness error in Y (straightness) | ± 1.5 µm | ± 2.5 µm | ± 3 µm | ± 1.5 µm | ± 2.5 µm | ± 3 µm | ± 1.5 µm | ± 2.5 µm | ± 3 µm | ± 1.5 µm | ± 2.5 µm | ± 3 µm | ± 1.5 µm | ± 2.5 µm | ± 3 µm | ± 1.5 µm | ± 2.5 µm | ± 3 µm | ± 1.5 µm | ± 2.5 µm | ± 3 µm | typ. |
| Straightness error in Z (flatness) | ± 1.5 µm | ± 2.5 µm | ± 3 µm | ± 1.5 µm | ± 2.5 µm | ± 3 µm | ± 1.5 µm | ± 2.5 µm | ± 3 µm | ± 1.5 µm | ± 2.5 µm | ± 3 µm | ± 1.5 µm | ± 2.5 µm | ± 3 µm | ± 1.5 µm | ± 2.5 µm | ± 3 µm | ± 1.5 µm | ± 2.5 µm | ± 3 µm | typ. |
| Angular error around Y (pitch) | ± 40 µrad | ± 60 µrad | ± 70 µrad | ± 40 µrad | ± 60 µrad | ± 70 µrad | ± 40 µrad | ± 60 µrad | ± 70 µrad | ± 40 µrad | ± 60 µrad | ± 70 µrad | ± 40 µrad | ± 60 µrad | ± 70 µrad | ± 40 µrad | ± 60 µrad | ± 70 µrad | ± 40 µrad | ± 60 µrad | ± 70 µrad | max. |
| Angular error around Z (yaw) | ± 40 µrad | ± 60 µrad | ± 70 µrad | ± 40 µrad | ± 60 µrad | ± 70 µrad | ± 40 µrad | ± 60 µrad | ± 70 µrad | ± 40 µrad | ± 60 µrad | ± 70 µrad | ± 40 µrad | ± 60 µrad | ± 70 µrad | ± 40 µrad | ± 60 µrad | ± 70 µrad | ± 40 µrad | ± 60 µrad | ± 70 µrad | max. |
| Positioning | L-511.033111 | L-511.053111 | L-511.073111 | L-511.035111 | L-511.055111 | L-511.075111 | L-511.033132 | L-511.053132 | L-511.073132 | L-511.035132 | L-511.055132 | L-511.075132 | L-511.20DG10 | L-511.40DG10 | L-511.60DG10 | L-511.20SD00 | L-511.40SD00 | L-511.60SD00 | L-511.2ASD00 | L-511.4ASD00 | L-511.6ASD00 | Tolerance |
| Minimum incremental motion in X | 0.1 µm | 0.1 µm | 0.1 µm | 0.1 µm | 0.1 µm | 0.1 µm | 0.2 µm | 0.2 µm | 0.2 µm | 0.2 µm | 0.2 µm | 0.2 µm | 0.1 µm | 0.1 µm | 0.1 µm | 0.2 µm | 0.2 µm | 0.2 µm | 0.02 µm | 0.02 µm | 0.02 µm | typ. |
| Positioning accuracy in X, uncalibrated | ± 5.5 µm | ± 7.5 µm | ± 11 µm | ± 5.5 µm | ± 7.5 µm | ± 11 µm | ± 6 µm | ± 12 µm | ± 18 µm | ± 6 µm | ± 12 µm | ± 18 µm | ± 6 µm | ± 12 µm | ± 18 µm | ± 10 µm | ± 15 µm | ± 20 µm | ± 5.5 µm | ± 7.5 µm | ± 11 µm | max. |
| Unidirectional repeatability in X | ± 0.15 µm | ± 0.15 µm | ± 0.15 µm | ± 0.15 µm | ± 0.15 µm | ± 0.15 µm | ± 0.3 µm | ± 0.3 µm | ± 0.3 µm | ± 0.3 µm | ± 0.3 µm | ± 0.3 µm | ± 0.3 µm | ± 0.3 µm | ± 0.3 µm | ± 0.3 µm | ± 0.3 µm | ± 0.3 µm | ± 0.15 µm | ± 0.15 µm | ± 0.15 µm | max. |
| Bidirectional repeatability in X | 0.6 µm | 0.6 µm | 0.6 µm | 0.6 µm | 0.6 µm | 0.6 µm | 2 µm | 2 µm | 2 µm | 2 µm | 2 µm | 2 µm | 3.2 µm | 3.2 µm | 3.2 µm | 3 µm | 3 µm | 3 µm | 0.6 µm | 0.6 µm | 0.6 µm | max. |
| Backlash in X | — | — | — | — | — | — | — | — | — | — | — | — | — | — | — | 1 µm | 1 µm | 1 µm | — | — | — | typ. |
| Reference switch | Optical | Optical | Optical | Optical | Optical | Optical | Optical | Optical | Optical | Optical | Optical | Optical | Optical | Optical | Optical | Optical | Optical | Optical | Optical | Optical | Optical | |
| Limit switches | Optical | Optical | Optical | Optical | Optical | Optical | Optical | Optical | Optical | Optical | Optical | Optical | Optical | Optical | Optical | Optical | Optical | Optical | Optical | Optical | Optical | |
| Integrated sensor | Incremental linear encoder | Incremental linear encoder | Incremental linear encoder | Incremental linear encoder | Incremental linear encoder | Incremental linear encoder | Incremental rotary encoder | Incremental rotary encoder | Incremental rotary encoder | Incremental rotary encoder | Incremental rotary encoder | Incremental rotary encoder | Incremental rotary encoder | Incremental rotary encoder | Incremental rotary encoder | — | — | — | Incremental linear encoder | Incremental linear encoder | Incremental linear encoder | |
| Sensor signal | Sin/cos, 1 V peak-to-peak | Sin/cos, 1 V peak-to-peak | Sin/cos, 1 V peak-to-peak | Sin/cos, 1 V peak-to-peak | Sin/cos, 1 V peak-to-peak | Sin/cos, 1 V peak-to-peak | A/B quadrature, RS-422 | A/B quadrature, RS-422 | A/B quadrature, RS-422 | A/B quadrature, RS-422 | A/B quadrature, RS-422 | A/B quadrature, RS-422 | A/B quadrature, RS-422 | A/B quadrature, RS-422 | A/B quadrature, RS-422 | — | — | — | Sin/cos, 1 V peak-to-peak | Sin/cos, 1 V peak-to-peak | Sin/cos, 1 V peak-to-peak | |
| Sensor signal period | — | — | — | 20 µm | 20 µm | 20 µm | — | — | — | — | — | — | — | — | — | — | — | — | — | — | — | |
| Sensor resolution | — | — | — | — | — | — | — | — | — | — | — | — | — | — | — | — | — | — | 5 nm | 5 nm | 5 nm | |
| Motor encoder: Sensor signal | — | — | — | A/B quadrature, RS-422 | A/B quadrature, RS-422 | A/B quadrature, RS-422 | — | — | — | — | — | — | — | — | — | — | — | — | — | — | — | |
| Resolution, motor encoder | — | — | — | 20000 Cts./rev. | 20000 Cts./rev. | 20000 Cts./rev. | — | — | — | 20000 Cts./rev. | 20000 Cts./rev. | 20000 Cts./rev. | — | — | — | — | — | — | — | — | — | |
| Motor encoder | — | — | — | Incremental rotary encoder | Incremental rotary encoder | Incremental rotary encoder | — | — | — | Incremental rotary encoder | Incremental rotary encoder | Incremental rotary encoder | — | — | — | — | — | — | — | — | — | |
| Sensor resolution | — | — | — | — | — | — | 20000 Cts./rev. | 20000 Cts./rev. | 20000 Cts./rev. | 20000 Cts./rev. | 20000 Cts./rev. | 20000 Cts./rev. | 4096 Cts./rev. | 4096 Cts./rev. | 4096 Cts./rev. | — | — | — | — | — | — | |
| Drive properties | L-511.033111 | L-511.053111 | L-511.073111 | L-511.035111 | L-511.055111 | L-511.075111 | L-511.033132 | L-511.053132 | L-511.073132 | L-511.035132 | L-511.055132 | L-511.075132 | L-511.20DG10 | L-511.40DG10 | L-511.60DG10 | L-511.20SD00 | L-511.40SD00 | L-511.60SD00 | L-511.2ASD00 | L-511.4ASD00 | L-511.6ASD00 | Tolerance |
| Drive type | DC motor | DC motor | DC motor | Brushless DC motor | Brushless DC motor | Brushless DC motor | DC motor | DC motor | DC motor | Brushless DC motor | Brushless DC motor | Brushless DC motor | DC gear motor | DC gear motor | DC gear motor | 2-phase stepper motor | 2-phase stepper motor | 2-phase stepper motor | 2-phase stepper motor | 2-phase stepper motor | 2-phase stepper motor | |
| Nominal voltage | 24 V | 24 V | 24 V | 24 V | 24 V | 24 V | 24 V | 24 V | 24 V | 24 V | 24 V | 24 V | 24 V | 24 V | 24 V | 24 V | 24 V | 24 V | 24 V | 24 V | 24 V | |
| Nominal current, RMS | — | — | — | 2.42 A | 2.42 A | 2.42 A | — | — | — | 2.42 A | 2.42 A | 2.42 A | — | — | — | — | — | — | — | — | — | typ. |
| Motor resolution | — | — | — | — | — | — | — | — | — | — | — | — | — | — | — | 200 Full steps/rev. | 200 Full steps/rev. | 200 Full steps/rev. | — | — | — | |
| Drive force in positive direction of motion in X | 100 N | 100 N | 100 N | 100 N | 100 N | 100 N | 100 N | 100 N | 100 N | 100 N | 100 N | 100 N | 100 N | 100 N | 100 N | 100 N | 100 N | 100 N | 100 N | 100 N | 100 N | typ. |
| Drive force in negative direction of motion in X | 100 N | 100 N | 100 N | 100 N | 100 N | 100 N | 100 N | 100 N | 100 N | 100 N | 100 N | 100 N | 100 N | 100 N | 100 N | 100 N | 100 N | 100 N | 100 N | 100 N | 100 N | typ. |
| Torque constant | — | — | — | 0.031 N·m/A | 0.031 N·m/A | 0.031 N·m/A | — | — | — | 0.031 N·m/A | 0.031 N·m/A | 0.031 N·m/A | — | — | — | — | — | — | — | — | — | typ. |
| Resistance phase-phase | — | — | — | 0.81 Ω | 0.81 Ω | 0.81 Ω | — | — | — | 0.81 Ω | 0.81 Ω | 0.81 Ω | 4.09 Ω | 4.09 Ω | 4.09 Ω | 3.3 Ω | 3.3 Ω | 3.3 Ω | 3.3 Ω | 3.3 Ω | 3.3 Ω | typ. |
| Inductance phase-phase | — | — | — | 0.64 mH | 0.64 mH | 0.64 mH | — | — | — | 0.64 mH | 0.64 mH | 0.64 mH | 0.18 mH | 0.18 mH | 0.18 mH | 2.8 mH | 2.8 mH | 2.8 mH | 2.8 mH | 2.8 mH | 2.8 mH | |
| Back EMF, rotational | — | — | — | — | — | — | — | — | — | — | — | — | 1.68 V/kRPM | 1.68 V/kRPM | 1.68 V/kRPM | — | — | — | — | — | — | max. |
| Back EMF, phase-phase, rotational | — | — | — | 3.3 V/kRPM | 3.3 V/kRPM | 3.3 V/kRPM | — | — | — | 3.3 V/kRPM | 3.3 V/kRPM | 3.3 V/kRPM | 1.68 V/kRPM | 1.68 V/kRPM | 1.68 V/kRPM | — | — | — | — | — | — | max. |
| Number of pole pairs | — | — | — | 7 | 7 | 7 | — | — | — | 7 | 7 | 7 | — | — | — | — | — | — | — | — | — | |
| Mechanical properties | L-511.033111 | L-511.053111 | L-511.073111 | L-511.035111 | L-511.055111 | L-511.075111 | L-511.033132 | L-511.053132 | L-511.073132 | L-511.035132 | L-511.055132 | L-511.075132 | L-511.20DG10 | L-511.40DG10 | L-511.60DG10 | L-511.20SD00 | L-511.40SD00 | L-511.60SD00 | L-511.2ASD00 | L-511.4ASD00 | L-511.6ASD00 | Tolerance |
| Permissible push force in Y | 250 N | 250 N | 250 N | 250 N | 250 N | 250 N | 250 N | 250 N | 250 N | 250 N | 250 N | 250 N | 250 N | 250 N | 250 N | 250 N | 250 N | 250 N | 250 N | 250 N | 250 N | max. |
| Permissible push force in Z | 500 N | 500 N | 500 N | 500 N | 500 N | 500 N | 500 N | 500 N | 500 N | 500 N | 500 N | 500 N | 500 N | 500 N | 500 N | 500 N | 500 N | 500 N | 500 N | 500 N | 500 N | max. |
| Permissible pull force in Y | 250 N | 250 N | 250 N | 250 N | 250 N | 250 N | 250 N | 250 N | 250 N | 250 N | 250 N | 250 N | 250 N | 250 N | 250 N | 250 N | 250 N | 250 N | 250 N | 250 N | 250 N | max. |
| Permissible torque in θX | 60 N·m | 60 N·m | 60 N·m | 60 N·m | 60 N·m | 60 N·m | 60 N·m | 60 N·m | 60 N·m | 60 N·m | 60 N·m | 60 N·m | 60 N·m | 60 N·m | 60 N·m | 60 N·m | 60 N·m | 60 N·m | 60 N·m | 60 N·m | 60 N·m | max. |
| Permissible torque in θY | 30 N·m | 30 N·m | 30 N·m | 30 N·m | 30 N·m | 30 N·m | 30 N·m | 30 N·m | 30 N·m | 30 N·m | 30 N·m | 30 N·m | 30 N·m | 30 N·m | 30 N·m | 30 N·m | 30 N·m | 30 N·m | 30 N·m | 30 N·m | 30 N·m | max. |
| Permissible torque in θZ | 30 N·m | 30 N·m | 30 N·m | 30 N·m | 30 N·m | 30 N·m | 30 N·m | 30 N·m | 30 N·m | 30 N·m | 30 N·m | 30 N·m | 30 N·m | 30 N·m | 30 N·m | 30 N·m | 30 N·m | 30 N·m | 30 N·m | 30 N·m | 30 N·m | max. |
| Holding force in X, passive | — | — | — | — | — | — | — | — | — | — | — | — | 50 N | 50 N | 50 N | 50 N | 50 N | 50 N | 50 N | 50 N | 50 N | |
| Moved mass in X, unloaded | 600 g | 600 g | 650 g | 600 g | 600 g | 650 g | 600 g | 600 g | 650 g | 600 g | 600 g | 650 g | 600 g | 600 g | 650 g | 600 g | 600 g | 650 g | 600 g | 600 g | 650 g | |
| Drive screw type | Ball screw | Ball screw | Ball screw | Ball screw | Ball screw | Ball screw | Ball screw | Ball screw | Ball screw | Ball screw | Ball screw | Ball screw | Ball screw | Ball screw | Ball screw | Ball screw | Ball screw | Ball screw | Ball screw | Ball screw | Ball screw | |
| Drive screw pitch | 2 mm | 2 mm | 2 mm | 2 mm | 2 mm | 2 mm | 2 mm | 2 mm | 2 mm | 2 mm | 2 mm | 2 mm | 2 mm | 2 mm | 2 mm | 2 mm | 2 mm | 2 mm | 2 mm | 2 mm | 2 mm | |
| Gear ratio i | — | — | — | 1 | 1 | 1 | — | — | — | 1 | 1 | 1 | 29,642 | 29,642 | 29,642 | — | — | — | — | — | — | |
| Guide | Recirculating ball bearing guide | Recirculating ball bearing guide | Recirculating ball bearing guide | Recirculating ball bearing guide | Recirculating ball bearing guide | Recirculating ball bearing guide | Recirculating ball bearing guide | Recirculating ball bearing guide | Recirculating ball bearing guide | Recirculating ball bearing guide | Recirculating ball bearing guide | Recirculating ball bearing guide | Recirculating ball bearing guide | Recirculating ball bearing guide | Recirculating ball bearing guide | Recirculating ball bearing guide | Recirculating ball bearing guide | Recirculating ball bearing guide | Recirculating ball bearing guide | Recirculating ball bearing guide | Recirculating ball bearing guide | |
| Overall mass | 2500 g | 2600 g | 3100 g | 2400 g | 2700 g | 3000 g | 2500 g | 2600 g | 3100 g | 2400 g | 2700 g | 3000 g | 2500 g | 2700 g | 2900 g | 2400 g | 2600 g | 3100 g | 2400 g | 2600 g | 3100 g | |
| Material | Aluminum, stainless steel | Aluminum, stainless steel | Aluminum, stainless steel | Aluminum, stainless steel | Aluminum, stainless steel | Aluminum, stainless steel | Aluminum, stainless steel | Aluminum, stainless steel | Aluminum, stainless steel | Aluminum, stainless steel | Aluminum, stainless steel | Aluminum, stainless steel | Aluminum, steel | Aluminum, steel | Aluminum, steel | Aluminum, steel | Aluminum, steel | Aluminum, steel | Aluminum, steel | Aluminum, steel | Aluminum, steel | |
| Permissible push force in X | — | — | — | 500 N | 500 N | 500 N | — | — | — | 500 N | 500 N | 500 N | 500 N | 500 N | 500 N | — | — | — | — | — | — | max. |
| Miscellaneous | L-511.033111 | L-511.053111 | L-511.073111 | L-511.035111 | L-511.055111 | L-511.075111 | L-511.033132 | L-511.053132 | L-511.073132 | L-511.035132 | L-511.055132 | L-511.075132 | L-511.20DG10 | L-511.40DG10 | L-511.60DG10 | L-511.20SD00 | L-511.40SD00 | L-511.60SD00 | L-511.2ASD00 | L-511.4ASD00 | L-511.6ASD00 | Tolerance |
| Operating temperature range | 5 to 40 °C | 5 to 40 °C | 5 to 40 °C | 5 to 40 °C | 5 to 40 °C | 5 to 40 °C | 5 to 40 °C | 5 to 40 °C | 5 to 40 °C | 5 to 40 °C | 5 to 40 °C | 5 to 40 °C | 5 to 40 °C | 5 to 40 °C | 5 to 40 °C | 5 to 40 °C | 5 to 40 °C | 5 to 40 °C | 5 to 40 °C | 5 to 40 °C | 5 to 40 °C | |
| Connector | HD D-sub 26 (m) | HD D-sub 26 (m) | HD D-sub 26 (m) | HD D-sub 26 (m) | HD D-sub 26 (m) | HD D-sub 26 (m) | HD D-sub 26 (m) | HD D-sub 26 (m) | HD D-sub 26 (m) | HD D-sub 26 (m) | HD D-sub 26 (m) | HD D-sub 26 (m) | HD D-sub 26 (m) | HD D-sub 26 (m) | HD D-sub 26 (m) | HD D-sub 26 (m) | HD D-sub 26 (m) | HD D-sub 26 (m) | HD D-sub 26 (m) | HD D-sub 26 (m) | HD D-sub 26 (m) | |
| Sensor connector | D-sub 9 (m) | D-sub 9 (m) | D-sub 9 (m) | D-sub 9 (m) | D-sub 9 (m) | D-sub 9 (m) | — | — | — | — | — | — | — | — | — | — | — | — | D-sub 9 (m) | D-sub 9 (m) | D-sub 9 (m) | |
| Recommended controllers/drivers | C-863 C-885 with C-863.20C885 C-884 ACS modular controller | C-863 C-885 with C-863.20C885 C-884 ACS modular controller | C-863 C-885 with C-863.20C885 C-884 ACS modular controller | ACS modular controller | ACS modular controller | ACS modular controller | C-863 C-885 with C-863.20C885 C-884 ACS modular controller | C-863 C-885 with C-863.20C885 C-884 ACS modular controller | C-863 C-885 with C-863.20C885 C-884 ACS modular controller | C-891 C-885 with C-891.10C885 ACS modular controller | C-891 C-885 with C-891.10C885 ACS modular controller | C-891 C-885 with C-891.10C885 ACS modular controller | C-863 C-885 with C-863.20C885 C-884 ACS modular controller | C-863 C-885 with C-863.20C885 C-884 ACS modular controller | C-863 C-885 with C-863.20C885 C-884 ACS modular controller | C-663.12 C-885 with C-663.12C885 ACS modular controller | C-663.12 C-885 with C-663.12C885 ACS modular controller | C-663.12 C-885 with C-663.12C885 ACS modular controller | C-663.12 C-885 with C-663.12C885 ACS modular controller | C-663.12 C-885 with C-663.12C885 ACS modular controller | C-663.12 C-885 with C-663.12C885 ACS modular controller |
At PI, technical data is specified at 22 ±3 °C. Unless otherwise stated, the values are for unloaded conditions. Some properties are interdependent. The designation "typ." indicates a statistical average for a property; it does not indicate a guaranteed value for every product supplied. During the final inspection of a product, only selected properties are analyzed, not all. Please note that some product characteristics may deteriorate with increasing operating time.
Downloads
Product Note
Product Change Notification Motor Driven Products
Datasheet
Documentation
User Manual MP140
L-511 High-Precision Linear Stage
3D Models
L-511.0xx111 3D Model
L-511.0xx132 3D Model
L-511.xxDG10 3D Model
L-511.xxSD00 3D Model
Ask for a free quote on quantities required, prices, and lead times or describe your desired modification.
High-precision linear stage; DC motor; 102 mm travel range; 500 N load capacity; 90 mm/s maximum velocity; ball screw; incremental linear encoder, sin/cos, 1 V peak-peak
High-precision linear stage; DC motor; 155 mm travel range; 500 N load capacity; 90 mm/s maximum velocity; ball screw; incremental linear encoder, sin/cos, 1 V peak-peak
High-precision linear stage; brushless DC motor; 52 mm travel range; 500 N load capacity; 90 mm/s maximum velocity; ball screw; incremental rotary encoder, 20000 cts./rev. resolution, A/B quadrature, RS-422; incremental linear encoder, 20 µm sensor signal period, sin/cos, 1 V peak-peak
High-precision linear stage; brushless DC motor; 102 mm travel range; 500 N load capacity; 90 mm/s maximum velocity; ball screw; incremental rotary encoder, 20000 cts./rev. resolution, A/B quadrature, RS-422; incremental linear encoder, 20 µm sensor signal period, sin/cos, 1 V peak-peak
High-precision linear stage; brushless DC motor; 155 mm travel range; 500 N load capacity; 90 mm/s maximum velocity; ball screw; incremental rotary encoder, 20000 cts./rev. resolution, A/B quadrature, RS-422; incremental linear encoder, 20 µm sensor signal period, sin/cos, 1 V peak-peak
High-precision linear stage; DC motor; 52 mm travel range; 500 N load capacity; 90 mm/s maximum velocity; ball screw; incremental rotary encoder, 20000 counts/rev sensor resolution, A/B quadrature, RS-422
High-precision linear stage; DC motor; 102 mm travel range; 500 N load capacity; 90 mm/s maximum velocity; ball screw; incremental rotary encoder, 20000 counts/rev sensor resolution, A/B quadrature, RS-422
High-precision linear stage; DC motor; 155 mm travel range; 500 N load capacity; 90 mm/s maximum velocity; ball screw; incremental rotary encoder, 20000 counts/rev sensor resolution, A/B quadrature, RS-422
High-precision linear stage; brushless DC motor; 52 mm travel range; 500 N load capacity; 90 mm/s maximum velocity; ball screw; incremental rotary encoder, 20000 cts./rev. resolution; incremental rotary encoder, 20000 counts/rev sensor resolution, A/B quadrature, RS-422
High-precision linear stage; brushless DC motor; 102 mm travel range; 500 N load capacity; 90 mm/s maximum velocity; ball screw; incremental rotary encoder, 20000 cts./rev. resolution; incremental rotary encoder, 20000 counts/rev sensor resolution, A/B quadrature, RS-422
High-precision linear stage; brushless DC motor; 155 mm travel range; 500 N load capacity; 90 mm/s maximum velocity; ball screw; incremental rotary encoder, 20000 cts./rev. resolution; incremental rotary encoder, 20000 counts/rev sensor resolution, A/B quadrature, RS-422
High-precision linear stage; DC gear motor; 52 mm travel range; 500 N load capacity; 6 mm/s maximum velocity; ball screw; incremental rotary encoder, 4096 counts/rev sensor resolution, A/B quadrature, RS-422
High-precision linear stage; DC gear motor; 102 mm travel range; 500 N load capacity; 6 mm/s maximum velocity; ball screw; incremental rotary encoder, 4096 counts/rev sensor resolution, A/B quadrature, RS-422
High-precision linear stage; DC gear motor; 155 mm travel range; 500 N load capacity; 6 mm/s maximum velocity; ball screw; incremental rotary encoder, 4096 counts/rev sensor resolution, A/B quadrature, RS-422
High-precision linear stage; 2-phase stepper motor; 52 mm travel range; 500 N load capacity; 45 mm/s maximum velocity; ball screw
High-precision linear stage; 2-phase stepper motor; 102 mm travel range; 500 N load capacity; 45 mm/s maximum velocity; ball screw
High-precision linear stage; 2-phase stepper motor; 155 mm travel range; 500 N load capacity; 45 mm/s maximum velocity; ball screw
High-precision linear stage; 2-phase stepper motor; 52 mm travel range; 500 N load capacity; 45 mm/s maximum velocity; ball screw; incremental linear encoder, 5 nm sensor resolution, sin/cos, 1 V peak-peak
High-precision linear stage; 2-phase stepper motor; 102 mm travel range; 500 N load capacity; 45 mm/s maximum velocity; ball screw; incremental linear encoder, 5 nm sensor resolution, sin/cos, 1 V peak-peak
High-precision linear stage; 2-phase stepper motor; 155 mm travel range; 500 N load capacity; 45 mm/s maximum velocity; ball screw; incremental linear encoder, 5 nm sensor resolution, sin/cos, 1 V peak-peak
How to Get a Quote
Ask an engineer!
Quickly receive an answer to your question by email or phone from a local PI sales engineer.
































